砂漿專用篩-SZF直線振動篩一:
經濟實用型:小產能高精度篩分設備;
SZF系列直線振動篩,適合小產能高精度的篩分,篩分精度高,可多種分級;防堵網設計,透篩率高;密封性好,與除塵設備配套除塵效果更佳;
SZF直線震動篩的原理:
SZF直線振動篩利用振動電機激振作為振動源,使物料在篩網上被拋起,同時向前作直線運動,物料從給料機均勻地進入篩分機的進料口,通過多層篩網產生數種規格的篩上物、篩下物、分別從各自的出口排出。具有耗能低、產量高、結構簡單、易維修、全封閉結構,無粉塵溢散,自動排料,更適合于流水線作業。
SZF直線振動篩使用現場:
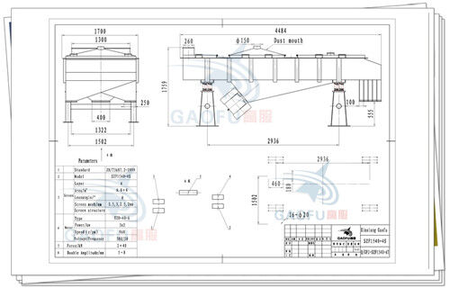
SZF直線參考外型尺寸:
SZF直線震動篩應用行業:
對粉狀、顆粒狀物料的篩選和分級,廣泛應用于砂漿、石料、建材、磨料、塑料、化工、醫藥、糧食、炭素、化肥等行業的篩分和分級。
SZF直線震動篩客戶簽證:
SZF直線振動篩主要用于砌筑砂漿、抹面砂漿、保溫砂漿、天然河沙,石英砂聚合物保溫砂漿、粘結砂漿、抗裂砂漿、地坪砂漿、裝飾砂漿、防水砂漿、膩子粉、粉刷石膏、彈性砂漿等等各種烘干后的粒度篩選和分級。合作廠家:長沙中聯重工;三一重工;上海摩臺克;天地重工,圓友機械等知名企業。
SZF直線震動篩在砂漿行業中常用型號及產能:
|
型號 |
常用網孔尺寸 |
大約處理量 |
電機型號 |
功率 |
|
SZF525型 |
3.5mm、4.5mm或5mm |
8t/h |
YZO10-6 |
2*0.75KW |
|
SZF1030型 |
3.5mm、4.5mm或5mm |
12t/h |
YZO25-6 |
2*1.8KW |
|
SZF1235型 |
3.5mm、4.5mm或5mm |
15t/h |
YZO30-6 |
2*2.2KW |
|
SZF1540型 |
3.5mm、4.5mm或5mm |
20t/h |
YZO40-6 |
2*3KW |
手機版|

















